Marut Automation

OUR SERVICES

We offer services in Electrical design, Panel Building and Programming. See how we can best help you!

Custom Panel Solutions

Designed to Meet Your Specific Requirements, we specialize in designing and building custom panels of any size to meet the unique specifications of your project, all while adhering to CSA and UL standards.
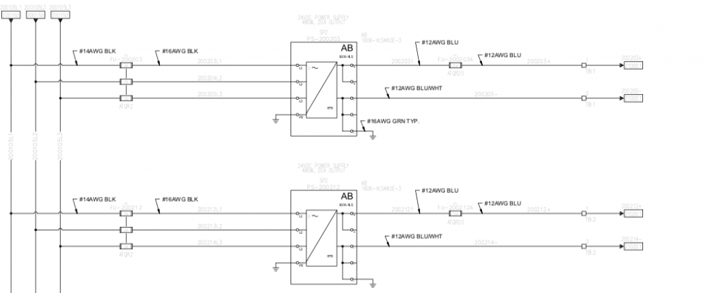
Our commitment to quality ensures that each panel not only meets but exceeds industry expectations. Understanding the importance of clear cable and wire marking, we take extra care in organizing and labeling all components within the panel. This attention to detail enhances the overall neatness and functionality of the system, making troubleshooting and maintenance significantly easier and more efficient.
Our focus is on delivering a well-organized, compliant, and high-quality solution that aligns with our clients’ operational needs, ensuring both reliability and ease of use in the long term.

Electrical Design Services

At Marut, we bring extensive experience in developing electrical designs, whether creating them from the ground up or updating existing schematics. We specialize in converting outdated, hand-drawn diagrams or worn sheets into high-quality digital formats, including DWG and DXF files, for enhanced accessibility and future-proofing.
In addition to design services, we offer expert consultation for upgrading existing automation systems. If your systems need to be brought up to date with the latest safety standards or technological advancements, we can provide the guidance and solutions necessary to ensure compliance and improve overall system performance.
Our goal is to deliver precise, efficient, and compliant electrical designs that meet both current and future operational needs.

PLC, Robot, and HMI Programming Services:

At Marut, we understand the critical importance of high-quality programming standards in ensuring the reliability and efficiency of your systems. A well-structured and thoroughly documented program not only streamlines troubleshooting but also minimizes downtime, leading to increased production and reduced operational costs. As engineers, we are committed to providing simple, effective, and feasible solutions that meet both operational needs and industry standards. We prioritize creating organized, user-friendly programs that ensure seamless machine performance and optimal system functionality. Our team has extensive experience working with a wide range of PLCs (Programmable Logic Controllers), HMIs (Human-Machine Interfaces), and robotic systems. We tailor our programming expertise to meet the specific preferences and requirements of our clients, ensuring that every solution is customized to deliver maximum efficiency and reliability.

Programming support for our Integrator partner – PVC Pipe Measuring and Cutting using Festo Servo’